Honda Xr200 Wiring Diagram, Skygo150 Voltage Regulator for XR200/Actual Wiring/Honda XR200 Modified/Supermoto/DIY Garage PH, 10.03 MB, 07:18, 10,383, D I Y Garage PH, 2021-01-23T08:48:03.000000Z, 19, Iam looking for a 1982 honda xr200 wiring diagram, www.justanswer.com, 904 x 703, jpeg, wiring diagram 1982 honda xr200 xt200 yamaha manual iam motorcycle looking 1981 mechanic bikee wire, 20, honda-xr200-wiring-diagram, Anime Arts
Sh2024 stepper motor driver (drive 20,28,35,39,42bygh motor). 16 pictures about sh2024 stepper motor driver (drive 20,28,35,39,42bygh motor) : It is based on running continuously with an ambient temperature of 70 f in still air. The thermal breaker will open when the case temperature reaches 230 f.
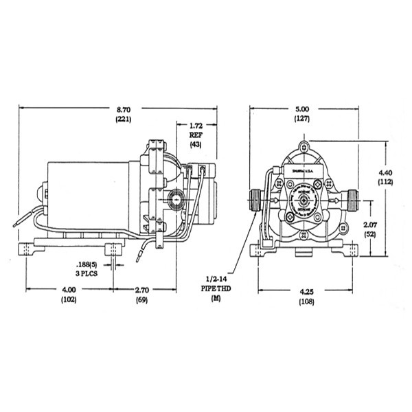
. 95 0 bids +. 55 shipping. Items are matched to the number on the image. The new shurflo 4008 took the place of 2008. Shurflo 2088 403 144 wiring diagram wiring for shurflo 2088 403 444 2 12 volt wires at the rear of the pump. Shurflo® 2088 series diaphragm pumps deliver reliable performance in high flow, moderate pressure applications. They are used in a variety of spraying and transfer applications that require flows of up to 4. 0 gpm [14. 4 l/min]. They can be mounted in any position, and are designed for easy maintenance. It is based on running continuously with an ambient temperature of 70 f in still air. The thermal breaker will open when the case temperature reaches 230 f.
Črpalka Shurflo 2088-403-144 Standard
Parts for Shurflo Pump model # 2088-403-144

Shurflo 2088-422-444 Wiring Diagram

2088-403-144 | Manualzz

35 Shurflo Pump Parts Diagram - Wire Diagram Source Information
33 Shurflo Water Pump Wiring Diagram - Free Wiring Diagram Source

RV Components USED SHURFLO DIAPHRAGM WATER PUMP P/N: 2088-403-144 Diaphragm Water Pumps | RV

Pompe de surface SHURFLO Deluxe Light 2088 403 143 | 12V - 10,6L/m * SOLARIS-STORE

Wiring Diagram: 26 Shurflo Water Pump Wiring Diagram
Shurflo Pump Parts Diagram - Wiring Diagram
